Speaker Build - Faital 3WC-15

Look I completely understand. I have 2 young kids myself..

I was training for a 70.3 Ironman. I’ve been a swimmer for years. I love it and hope I will be able to swim properly again eventually. If I can’t though, I do still love running. Not sure I’ll ride on the road again though, it’s just too dangerous.

It is a hard balance when you have a young family. Over the last year I’ve put in a lot of training hours so I’ve barely had time to even listen to the Hi-Fi let alone any of the outstanding jobs around the house. Now I’m at home with nothing but time the hifi has been on quite alot.

I think the illuminator 71 is a good place to start. Great performance guaranteed and a simple construction.

1 Like

Yep same thing with me…almost impossible to find time…but with retirement happening in 2 months…I am looking forward to my speaker build finishing.

1 Like

Sorry to hear about your health issues, but it sounds like they’re only a temporary setback?

What made you change from bulding the CNO Grande to the Ekta 7741 ? And of course there’s the illuminator 7751 as well.

Hi Mark, apologies for the slow reply. Sorry to hear about your accident, sounds very nasty, I hope your recovery goes well and you can get back to your speaker mods! I had a feeling you’d still have them, they’d be very hard to part with. Look forward to seeing your changes when you’re back in action fully.

As for my health stuff, I posted on Dan’s thread (here).
Had my second op last week (was postponed a week) and it went well, now have quite a long wait to get the results. I too am not allowed to lift anything heavy or drive for a while … so taking it easy and making the most of the nice weather here!

The Kudos are nice speakers but they don’t have the scale or authority of the Illuminators which go significantly deeper and have a lovely rich midrange. The Kudos are too biased towards the top end for me, making them a tad thin/sterile. I just don’t enjoy music as much through them, but they’re fine for what I got them for … and they are nice looking.

The Revelator 851 is also on my list of possibilities, would be a nice challenge building their cabinets :slightly_smiling_face: I have four browser tabs permanently open with the designs I’m mulling over … along with the the Revelators there’s the Illuminator 7751 & 7741 and the Faital-10-430. Came very close to pulling the trigger on the Faitals, there’s just something so appealing about the classic 3-way stand mount design.
I’ll make up my mind one of these days!

3 Likes

Hi @n-lot, partly due to cost, the CNOs have gone up in price significantly since I first looked at them, around £4k now plus cabinet materials etc. The main reason is that I love the sound of my current speakers and the Ekta 7741 is a larger version of them with familiar drivers so should be a pretty safe bet.

Yes I’m hoping I’ve been extremely lucky on the health side :crossed_fingers:

2 Likes

I’m now thinking of building another pair of speakers. And surprisingly my gf is even encouraging me to do this. I haven’t yet thought about which model, so still some investigation to do.

They will have to be significantly smaller as I don’t have another room that will take something this size. And they will also have to be more budget constrained.

Perhaps a TL would be interesting?

1 Like

The Illuminator 15 looks interesting, using a bass radiator. I can’t remember seeing a small TL in Troels’s repertoire though, you mean a DIY version of something like a PMC twenty5 21 or 22, a standmount TL?

There’s also the EKTA 2D that always looked interesting to me, a Studio 101 but using Faital active crossovers, discontinued, but apparently he’ll respond on email regarding it

1 Like

I too am contemplating another speaker build. I’m thinking of:

  1. A Mark Audio (MA) full range driver in a folded Voigt line - aka a Pearl Acoustics Sibelius type speaker.

Or

  1. A WAW (woofer assisted widebander) with an MA driver in a sealed enclosure for the majority of the frequency range and then dual opposed side-firing woofers in a push-push configuration in the same tower.

Regarding option 2, there are two possible sub-options:
a) the side firing woofers are active and are driven by a BK electronics plate amplifier for each speaker with the signal for the plate amp fed at high level. I may then put a simple high pass passive filter on the FR driver. I have in mind 4 x SB acoustics SW26SFC38-8 (2 per tower wired in parallel - 4ohm load) in a sealed enclosure for the tower - 20 litres each so 40litres combined per tower.

b) the same woofer configuration but passive line level crossovers or a mini DSP 2 x 4 HD between DAC-V1 and the power amplifiers (NAP 100 x 2) - I would have considerably more flexibility with the crossover points compared with the BK plate amps.

However, I prefer the idea of either option 1 or 2a as I could then use pretty much any amplifier (e.g. Nait 50). I like a FR driver from a point source perspective - something I enjoy very much with my Tannoy dual concentrics or my DIY open baffle build which uses the SB Acoustics SB20FRPC30-8 as the basis of the system.

1 Like

I’m of the school of thought that a floorstander takes up as much floorspace as a standmount. So Ekta TL for example could work (caveat, I didn’t look at cost or exact size).

1 Like

Yeah they do take up the same space when in use but not when in storage! Small bookshelf speakers can be stored in a cupboard on a shelf. Not floorstanders. I have 2 big pairs of speakers, as you know, and it’s a pain in the arse!

1 Like

If it’s a budget friendly one from Troels’ catalogue you are looking at I’d build one of the SS discovery speakers. I reckon they’d be really good for the money. Or a SS revelator bookshelf. Never heard a bad word said about one of his revelator speakers. Actually I’ve not heard a bad word said about any of them!

Wow. This sounds like you’re not just building, but designing your own speaker. I fear that’s way over my head. I’m currently spending a week with the in-laws, but when back I’ll do some googling based on what you said :grin::sweat_smile:

1 Like

Very nice! I was also wondering how they sound. Would love to have a listen, perhaps even compare them with my Shahinian Obelisks.

What electronics do you use with them? Could not find in the profile section anymore.

Sort of. With single-driver designs much of the hard work of designing a speaker (the crossover) is taken out of the equation.

Being honest there are a large number of pre-designed MA driver/enclosure combinations out there courtesy of Scot Lundgren (Woden Designs) and Dave at Planet 10 HiFi. If I go option 2, I would combine one of their sealed designs with a bass enclosure modelled on WinSD or similar.

As for option 1 (the Sibelius) there is a growing resource of DIY versions using various MA drivers. Pearl Acoustics themselves use a custom version of the MA Alpair 10.2/10.3 - the exact changes are understandably kept ‘secret’ but Harley Lovegrove himself has purportedly been helpful to those who wanting to create their own versions regarding cabinet. Obviously, each different MA driver type requires its own version of a folded Voigt pipe tailored to the driver parameters. Also, one can’t just choose the largest MA driver and be done with it if one wants to avoid beaming associated with FR drivers - MA are amongst the best in this regard but it still has to be considered.

Its nice to read/see how the DIY speaker world is progressing these days.
My self build world has moved somewhat on due to a complete garage/workshop rebuild and me selling off all the wood and all but the esentials of electrical/test tools.

Nice to see the wood stuff, but what about the electrics??? … maybe some crossover circuit diagrams.
Mine (at first) used established designs and as time/experience progressed I moved towards web assisted self designs coupled to a lot of accoustic and electric measuring and fine tuning with Mk-II audio receptors.

This is my 3 ways latest rev, and as all the tools have now been moved on, it’ll be the last.

1 Like

Interesting journey - thanks for sharing.

As I mentioned above, passive crossovers are something I’m weary of designing. Also, although I can follow the circuit diagrams like yours above, I struggle to translate that into component layout on a board - perhaps I need to dive in :wink:

My DIY OB system uses the SB FR driver which is driven full range (no passive filters) by the main stereo amp. I added some rear facing (ambient) tweeters to add the high level detail - I deliberately went rear facing to avoid phase/comb filtering issues with the FR driver - the tweeters I used are Audison silk-dome units with their own adjustable filter.

The lower woofer sections are twofold and use active filtering/gain + the natural 6db per octave OB LF roll-off to balance everything out. I can boost output of the 15inch OB woofers to make the lowest octaves pretty flat but I find that too much for the room - hence I like the ability to tailor LF crossover/gain to the room if that makes sense?

Hopefully a picture helps:

3 Likes

I’m currently on holiday, but you’re welcome to come have a listen when back. Since we’re both in Amsterdam (going by your name), that should be easy enough to arrange.

My sources/electronics are a Uniti Star, Ampearl RE-2030 & Technics SL-1210GAE.

1 Like

That would be wonderful! I’m off to Austria for a few weeks myself but let’s meetup after the holidays.

1 Like

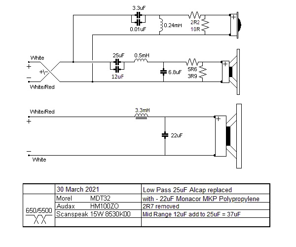
This is “mine”. The actual values I’m not allowed to share.

Most of us built a Troels Gravesen design. On Troels Gravesen’s site you’ll find the diagrams for all of his speakers. A few even with values.

2 Likes

The Ekta TL has been on and off my list since it was released, I’d like to build a transmission line design (the Jenzens are too big) and I could use my current bass drivers saving nearly £700 on the parts!

Floor standers are a pain to move around, even if they’re not that heavy they’re awkward and bulky … I can lift the Kudos but had to enlist my son to help get them upstairs to my office where they’re stored. So I’m looking at designs that have the potential to be split into sections, the 7741 can be split into three or four cabinets I reckon making them much easier to move, and to handle during construction. I don’t think I’d be able to do that with a transmission line design. It’s an approach I was planning to test with the floor stander version of my current speakers.

Anyway, along with the Ekta TL perhaps the Ekta MKII? In terms of cost/performance the Discovery 861 looks to be very good too.

2 Likes